COVID-19 Update: Pelonis Technologies Remains Fully Operational. [Full Details]
Catalog
Quiet Operation
Grinding spiral bevel gear and Helical gears reduce vibration and noise.
High Rigidity and High Torque
High rigidity and high torque are achieved by integrant needle roller bearings and are one-piece constructed.
Grinding spiral bevel gear and Helical gears reduce vibration and noise.
High Rigidity and High Torque
High rigidity and high torque are achieved by integrant needle roller bearings and are one-piece constructed.
Unit of Measure
Specifications
Brands |
N/A Pelonis Technologies |
Model |
N/A 80 |
Ratio |
N/A 70 |
Output Bearing |
N/A Standard (Keyway) |
Stage |
N/A 2-Stage |
Rated Output Torque (Nominal Output Torque) (T2N) |
N/A 105 N·m |
Maximum Acceleration Torque (T2B) |
N/A 1.8 Times of Rated Output Torque |
Maximum Output Torque (Emergency Stop Torque) (T2NOT) |
N/A 3 Times of Rated Output Torque |
Rated Input Speed (n1N) |
N/A 3000 rpm |
Maximum Input Speed (n1B) |
N/A 5000 rpm |
Backlash |
N/A ≤ 12 arc·min |
Torsional Rigidity |
N/A 12 N·m/arc·min |
Maximum Radial Force (F2rB) |
N/A 1200 N |
Maximum Axial Force (F2aB) |
N/A 600 N |
S5 Cycle Operation Service Life (LH) |
N/A >30000 hours |
S1 Continuous Operation Service Life (LH) |
N/A >15000 hours |
Efficiency (η) |
N/A ≥ 94 % |
Operating Temperature |
N/A -25 to +90 ºC |
Lubrication |
N/A Synthetic Grease |
Protection Class |
N/A Ingress Protection (IP65) |
Mounting Position |
N/A Any |
Noise Level |
N/A ≤ 62 dB |
Weight |
N/A 2.8 kg |
Weight Tolerance (±) |
N/A 2 % |
Mass Moments of Inertia |
N/A 0.38 kg·cm² |
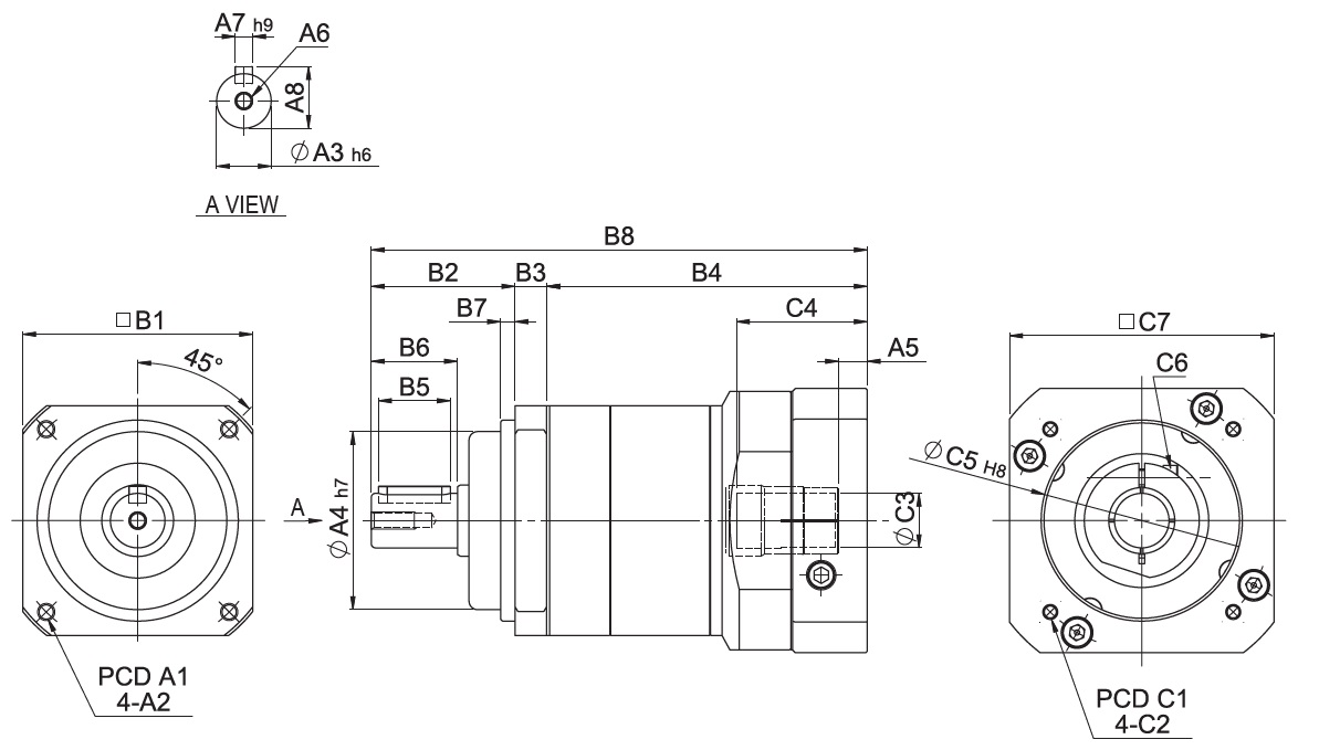
Dimensions
Dimension A1 |
N/A 90 mm |
Dimension A2 |
N/A M6 x P1.0 |
Dimension A3 |
N/A 19 mm |
Dimension A4 |
N/A 70 mm |
Dimension A5 |
N/A 10 mm |
Dimension A6 |
N/A M6 x P1.0 |
Dimension A7 |
N/A 6 mm |
Dimension A8 |
N/A 21.5 mm |
Dimension B1 |
N/A 80 mm |
Dimension B2 |
N/A 50 mm |
Dimension B3 |
N/A 11 mm |
Dimension B4 |
N/A 99.5 mm111.5 mm |
Dimension B5 |
N/A 25 mm |
Dimension B6 |
N/A 30 mm |
Dimension B7 |
N/A 5 mm |
Dimension B8 |
N/A 160.5 mm172.5 mm |
Dimension C1 |
N/A 70 mm90 mm100 mm115 mm |
Dimension C2 |
N/A M5 M6 |
Dimension C3 |
N/A 14 mm19 mm |
Dimension C4 |
N/A 33.5 mm45.5 mm |
Dimension C5 |
N/A 50 mm70 mm80 mm95 mm |
Dimension C6 |
N/A M5 x P0.8 |
Dimension C7 |
N/A 80 mm92 mm110 mm |
Features
Features |
N/A
Helical Gear Design The speed reduction mechanism employs helical gears and provides two times the meshing rate of teeth compared to regular spur gears. It also features extremely smooth operation, low noise, high torque output, and low backlash. High Precision Gear Machining Manufactured from high quality Ni-Cr-Mo alloy steel (SNCM220), precision machined and carbonized to hardness 57-60 HRC. Precision teeth grinding ensures gear accuracy reaches DIN6 class. Full Needle Roller Bearings Design The planetary gear transmission employs full needle roller bearings without a retainer to increase the contact surface. This greatly improves structural rigidity and service life. Integrated Planetary Arm Bracket The planetary arm bracket and the output shaft are one-piece constructed to increase torsional rigidity and accuracy. One-piece Gear Box and Advanced Surface Treatment The gear box and the internal ring are one-piece constructed to achieve high rigidity and high torque. Collet Locking Mechanism The input-end and the motor are coupled through a collet locking mechanism. The mechanism is dynamically balanced to ensure concentricity and balance on the connection and has no backlash for power transmission while running at a high speed. |
