COVID-19 Update: Pelonis Technologies Remains Fully Operational. [Full Details]
Catalog
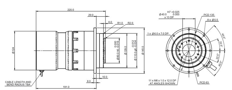
Ultra-Compact Precision Geared Servo Actuator
G9190 Comprising
- Precision Dual-Stage Planetary Gear
- Integrated Low-Voltage DC Brushless Pancake Motor
- High Resolution Encoder Plus Halls
Actuator Options
- Gearbox Ratio Options: 16:1, 20:1, 25:1, 50:1 & 100:1
- Motor Voltage Options: 24 VDC, 48 VDC & 72 VDC
- Motor Rated Power Options: 0.5 kW, 1.0 kW & 1.5 kW
- Backlash Specification Options: ≤3 Arc Min, ≤5 Arc Min & ≤8 Arc Min
- IP Rating Options: IP54 or IP65
- Output Bearing Configuration Options: Ball Bearing or High-Capacity Roller Bearing
- Holding Brake Option: 24VDC
- Low Temperature Grease Option
Unit of Measure
Specifications
| Electrical Properties
| Mechanical Properties
| Motor Performance
| Dimensions
| Dimensional Drawing
Specifications
Actuator Gear Type |
N/A ULT - Backlash |
Actuator Gear Configuration |
N/A High Torque |
Actuator Output Bearing |
N/A Output Roller Bearing |
Actuator Gear Ratio |
N/A 16:1 |
Motor Nominal Voltage |
N/A 48 V |
Holding Brake |
N/A Holding Brake 24V |
Rated Output Torque |
N/A 23.0 N·m |
Rated Output Speed |
N/A 187.5 rpm |
Peak Output Torque |
N/A 46.1 N·m |
Speed at Peak Torque |
N/A 175.0 rpm |
Motor Ke/Kt - 48V Rated Voltage Winding (+/ - 10%) |
N/A Ke 0.1220 VS/Rad Kt 0.1040 Nm/Arms |
Inductance |
N/A 0.327 mH |
Resistance |
N/A 0.110 Ohm |
Electrical Properties
Motor Pole Pairs |
N/A 5 |
Encoder |
N/A 1,024 PPR - Differential Output PPR |
Thermistor |
N/A NTC |
Brake Voltage |
N/A 24.0 V |
Mechanical Properties
Max. Backlash |
N/A ≤5 (Standard)│≤3(Option) arc·min |
Torsional Stiffness |
N/A 82.0 Nm/m |
Tilting Moment |
N/A 335 (Standard Output Ball Bearing) 675 (Option Output Tapered Roller Bearing) N·m |
Max Axial Load |
N/A 5,700 (Standard Output Ball Bearing) 6,210 (Option Output Tapered Roller Bearing) N |
Max Radial Load |
N/A 3,960 (Standard Output Ball Bearing) 7,850 (Option Output Tapered Roller Bearing) N |
Brake Holding Torque |
N/A 4.0 N·m |
Operating Life |
N/A 20,000 hours |
Operating Temperature [Min] |
N/A -10 ºC |
Operating Temperature [Max] |
N/A 50 ºC |
Protection Class |
N/A IP65 |
Efficiency |
N/A > 94% at Full Rated Gearbox Torque |
Lubrication |
N/A Lifetime lubrication (Grease) |
Motor Performance
Motor Rated Power |
N/A 500 Watts |
Rated Torque |
N/A 1.6 N·m |
Rated Speed |
N/A 3000 rpm |
Peak Torque |
N/A 3.2 N·m |
Speed at Peak Torque |
N/A 2,800 rpm |
Motor Performance Note |
N/A Please note that motors are available without gearhead and as frameless component sets. Please ask our Application Team for further details |
